ESHF21816系列霍爾式轉速傳感器-法蘭型-雙耳結構-圓柱形探頭
法蘭型-雙耳結構,ESHF21816系列霍爾式轉速傳感器,應用霍爾效應原理檢測齒輪等導磁金屬的轉速,采用非接觸式測量方式,能夠精確測量轉速。具有頻率范圍廣、響應速度快、機械壽命長、穩定、堅固耐用等特點。
法蘭型-雙耳結構,ESHF21816系列霍爾式轉速傳感器,應用霍爾效應原理檢測齒輪等導磁金屬的轉速,采用非接觸式測量方式,能夠精確測量轉速。具有頻率范圍廣、響應速度快、機械壽命長、穩定、堅固耐用等特點。
ESHF21816系列霍爾式轉速傳感器,應用霍爾效應原理檢測齒輪等導磁金屬的轉速,當有導磁金屬接近探頭時,探頭內部永磁體的磁通密度發生變化,并被霍爾IC檢測到,通過后端集成電路轉為脈沖輸出,脈沖頻率與齒輪旋轉速度成正比。
采用非接觸式測量方式,能夠精確測量轉速。具有頻率范圍廣、響應速度快、機械壽命長、穩定、堅固耐用等特點。
特點
■ 精準、可靠、重復性高
■ 工作溫度范圍廣
■ 工作頻率范圍廣
■ 頻率范圍:0~20KHz
■ 輸出信號:A、B 雙頻率輸出
■ 輸出電路:推挽式
■ 測量面抗壓能力:10bar
應用場景
■ 齒輪的轉速檢測
■ 可用于車輛、工程機械及電動和液壓馬達(軸向活塞泵和馬達)
行業
■ 液壓傳動
■ 車輛
■ 機械設備
性能參數

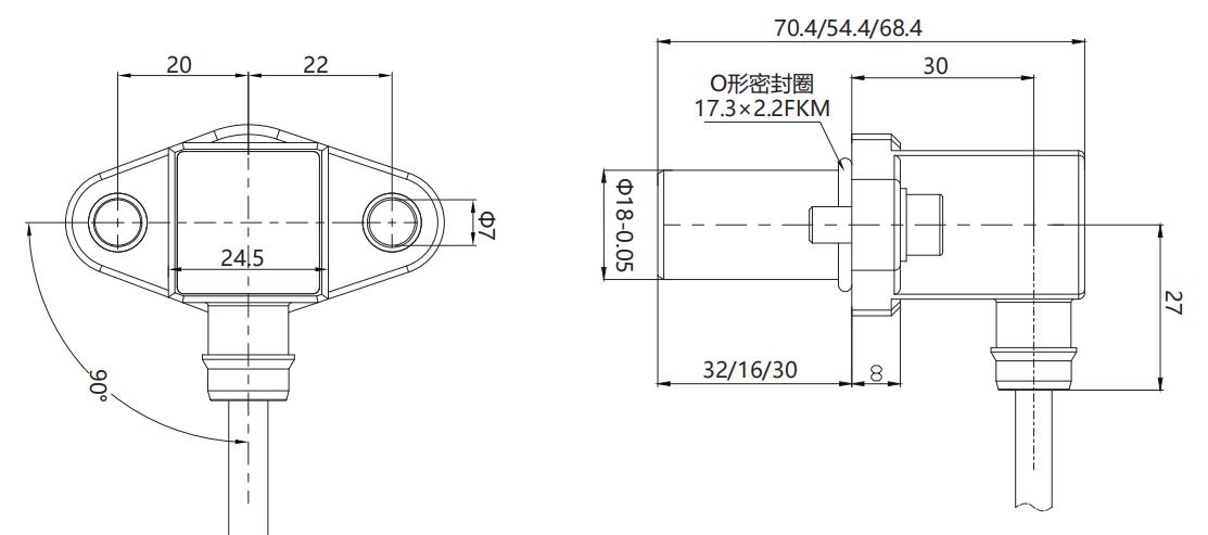
機械尺寸

輸出特性

接口方式與端口說明


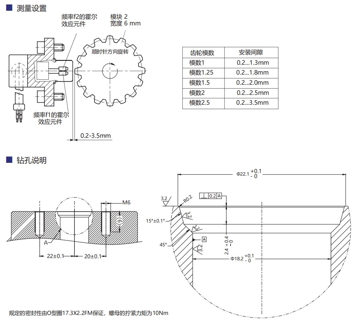
安裝說明

ESH18-02 系列轉速傳感器_產品手冊_V1.0.pdf