EAZ01R-120B-V7-F4P角度傳感器是分體式線性非接觸式角位置傳感器。可替代NOVOTECHNIK RFC-4852-604-341-256非接觸式的角度傳感器。傳感器使用霍爾效應技術,利用永磁體產生的磁場進行操作。他們提供的輸出電壓呈線性變化(比例輸入電 壓)對應于輸入軸的旋轉角度。
特點
■ 精準、可靠、重復性高
■ 采用無接觸、霍爾效應技術,穩定性好
■ 具有高水平的電磁干擾保護
■ 具有過電壓和反極性保護
■ 殼體為玻璃纖維增強塑料,結構堅固、耐腐蝕
■ 工作溫度范圍廣
應用場景
■ 機械設備旋轉角度檢測
■ 車輛、工程機械角度檢測
行業
■ 機械設備
■ 車輛
■ 液壓傳動
性能參數

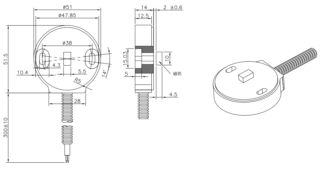
機械尺寸

輸出特性

接線定義
